锂电池为什么会自爆?
来源:天纵鉴定
|
作者:SKYLABS
|
发布时间: 2813天前
|
1705 次浏览
|
🔊 点击朗读正文
❚❚
▶
|
分享到:
常消费类电子产品锂离子电池出现问题,一般都是由于高温、短路、热失控等原因造成。但除去已知的外力因素造成的原因外,有相当部分的锂电池自爆其原因并不明确,如前一段时间的三星 Galaxy Note 7 手机的锂离子电池爆炸问题就是这样,要彻底解决锂离子电池安全性问题,我们必须尽可能深入、甚至是从原子层面进行研究,只是在过去,这一类型的研究往往缺乏有效的技术手段。
通常消费类电子产品锂离子电池出现问题,一般都是由于高温、短路、热失控等原因造成。但除去已知的外力因素造成的原因外,有相当部分的锂电池自爆其原因并不明确,如前一段时间的三星 Galaxy Note 7 手机的锂离子电池爆炸问题就是这样,要彻底解决锂离子电池安全性问题,我们必须尽可能深入、甚至是从原子层面进行研究,只是在过去,这一类型的研究往往缺乏有效的技术手段。
这里天纵鉴定(SKYLABS)先给大家介绍一种材料的观测手段,即冷冻电镜,样品经过超低温冷冻、断裂、镀膜制样(喷金/喷碳)等处理后,通过冷冻传输系统放入电镜内的冷台(温度可至-185℃)即可进行观察。它可用超低温冷冻制样及传输技术直接观察液体、半液体及对电子束敏感的样品,如生物、高分子材料等。
斯坦福大学崔屹教授正是通过使用冷冻电子显微镜(cryo-EM)技术,对锂金属枝晶进行了原子级别的观测。其的相关论文也发表在了《Science》官方网站上。
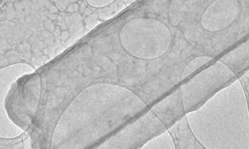
来自斯坦福大学的科学家们,借助冷冻电镜技术,捕捉到了首张原子级别锂金属枝晶图像。这次捕捉到的枝晶图像是电池内部的一种指状生长物,由于其不规则生长,可能刺破电池内部的隔膜,从而引发电池过热或短路。
使用冷冻电镜拍摄到的锂金属枝晶图像,冷冻过程可以使其停留在原始状态,从而观察到这种枝晶其实是一种六面体结构的晶体纳米线。锂枝晶在生长过程中会刺破电池隔膜从而引发短路,甚至起火。冷冻电镜是目前唯一一种可在原子级别成像,且不破坏其原有结构的技术。
锂金属枝晶生长及其带来的问题一直以来都是高密度储能电池发展的一大障碍,但到目前为止,其实还没有太好的解决办法。