




扫描电镜及相应附件已成为机械零部件研究和生产过程中发现问题的有利手段。随着扫描电镜分辨率及自动化程度的提高以及附件装置的增多。在扫面电子显微镜(SEM)下可完成越来越多的材料分析表征工作。因此,充分利用扫描电镜的优势将为汽车、机械装备的大发展、大创新做出巨大的贡献。
1、扫描电子显微镜和能谱仪的原理
扫描电镜是由电子枪发射电子束,通过电子束轰击试样,使试样表面激发出物理信号,通过收集这些物理信号而获得图像。扫描电镜样品尺寸范围较大,一般可配备直径为15Cm的样品台。样品制备比较简单,经清洗即可,样品在样品室内可以作三维空间平移及90°内旋转,可多角度观察样品,有利于分析断裂形状不规则的样品,景深大,图像立体感强,图像放大范围。

能谱仪是通过高能量电子束照射样品,样品原子受激发产生特征X射线,通过收集X射线的特征能量确定元素类型。能谱仪可以同时探测多种元素,分析速度快,能在几分种内对10~11个元素进行定量和定性分析。
2、实际应用
2.1 钢的金相组织观察
扫描电镜除可以观察光学显微镜下可观察到的组织外,还能对光学显微镜下不能分辨的显微组织进行分析,如可对光学显微镜下很难辨别的隐针状马氏体、索氏体进行形貌观察。其次,可对显微组织精细结构分析,如上贝氏体中铁素体和渗碳体两个相的形态、条状马氏体的细小板条状的形态等。再次,对各种金属间化合物相、碳化物相及氮化物相、铌化物相等进行观察。扫描电镜还可进行其他金相分析,如钢铁组织中不均匀带、晶粒形状大小、含硫钢中硫化物形态观察、夹杂物分布形态观察、裂纹形貌观察、粗大晶界形态观察以及晶界处夹杂物或第二相观察等。图1为35CrMo钢调质组织,为均匀的、具有针状及板条特征的回火索氏体,呈黑色的小块状的未溶铁素体。

图1 35CrMo钢调质组织 4000X
2.2 断口观察
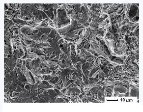
扫描电镜可以对断裂样品进行断口的微观形貌观察,通过断口观察来分析材料内部结构特征,研究材料的断裂机理,判断断裂性质、裂纹源位置及裂纹扩展方向(如塑性断裂、脆性断裂、疲劳断裂、应力腐蚀断裂等),追溯断裂原因,判断断裂是钢冶炼缺陷,还是热加工、热处理等工艺问题或后续加工过程存在的缺陷,断口检验是反映产品质量极为重要的手段之一。图2为1022钢渗碳淬火断口,呈准解理和少量沿晶断裂特征,出现冰糖状断口氢致延迟断裂。图3为 42CrMoA钢调质态断口,为典型的准解理断裂。

图2:1022钢渗碳淬火断口 3000X

图3:42CrMoA钢调质态断口 1000X
2.3 成分分析
扫描电镜配备能谱仪,可以实现对钢铁中夹杂物或夹渣的成分分析、偏析带的成分分析等。显微技术和电子微区分析技术应用于夹杂物的鉴定,使夹杂物鉴定分析得到一个飞跃发展。透射电子显微镜有极高的分辨率(0.2~0.3nm),但是它不能直接观察材料本身,而是制成薄膜复型来观察,只用于观察细小颗粒的夹杂物,切制样复杂,对于钢铁制品机械零部件适用性有限,虽然扫描电镜的分辨率不及透射电镜,但是可以直接观察试样,得到立体感很强的图像,借助样品上激发出的X射线能谱,得出样品中各元素的相对量。能谱仪可以对微区成分进行定点、线、面分析。点分析是将电子束固定在试样感兴趣的点进行分析,点分析准确度高,是显微结构成分分析常用的方法。例如对材料晶界、夹杂、析出相、沉淀物、奇异相等分析。线分析是电子束沿一条分析线进行扫描,与试样形貌对照,可以直观的获得元素在不同相或区域内的分布,从沿感兴趣的线分析可以获得沿线的成分变化曲线,如对电镀层的分析。面分析是电子束在试样表面的分布能在屏幕上以亮度分布显示出来,面分析常用于研究材料中的杂质,相的分布和元素的偏析,我们可以根据试样的特点和分析目的合理选择分析方法。图4,图5为利用点扫描对断裂面的化学成分分析,分析结果为P含量达到10%。
图4:谱图位置点
图5:能谱结果图
3、制样过程中产生的影响因素
利用扫描电镜分析样品时,首先要排除外界的干扰去除假象,尽量减少这些不利因素的影响,使分析结果更准确。
3.1 样品的制备
样品的制备是能否得到重要信息的关键,若使用不正确的制样程序,不仅会得不到清晰的图像,而且有可能得到假象,即观察到的图像并不是真正的样品内部状态或主要成分,所以试样制备方法的选择对于热加工、热处理等工艺问题或后续加工过程存在的缺陷,具有重要意义。
对于常规试样的尺寸要尽量小,电子束扫描的线度一般不会超过5mm,大试样还会有较多气体放出,影响真空,产生污染。样品要求平整,样品越平整,对分析结果的影响就越小。样品的导电性也会影响扫描电镜图片质量和能谱分析结果,样品表面充电,使电子束难以准确打到要分析的部位,造成偏离。因此,镶嵌的样品要做电镜,需去除镶嵌后分析。断口样品可直接分析,只要尺寸合适,不需要特别制备,但要保持断口新鲜,不能有锈迹、油污等污染物。如不能及时分析,需要将断口包好放于干燥器皿中存放,以备检测。
3.2 试样的磨制带来的影响
在扫描电镜前有时会先对裂纹样品进行高倍金相检验,由于经过磨样,磨制过程中砂轮、砂纸颗粒及研磨辅料等会残留在裂纹内,不易清除。如用超声波清洗,超声波的分散作用会把样品上的污染物聚集到裂纹处,影响样品分析,因此要区分开残留物和夹杂物,正确的分析缺陷产生原因。对于存在裂纹的样品,如果样品的尺寸允许,最好制成断口样进行电镜分析。
通常砂轮片成分以金刚玉(Al2O3)为主,400#水磨砂纸以碳化硅和金刚玉为主;而800#水磨砂纸成分以碳化硅为主;研磨膏有金刚石研磨膏,另一种是氧化铬研磨膏。为此,了解试样磨制过程的类成分,在以后的分析中才能加以区别,做出正确的判断。
3.3 生产工艺带来的影响
对扫描电镜检测,机械零部件在生产的每个环节都有不确定因素影响。首先要了解生产工艺过程,如拉拔过程的磷皂化膜、镦锻、机加工工序等使用的冷却液,热处理淬火冷却介质等等,它们的成分会影响缺陷样品的分析结果。
3.4 取样时记号笔的影响
大多数取料时,为标识清楚会用白色或黑色油性记号笔做标记,标记如标识到缺陷面上,超声波清洗很难彻底清洗干净,如对记号笔的成分不了解,可能会使分析人员做出错误的判断。这要求取样者在取样时注意保持样品原状,不破环样品的观察面,便于分析,现场用白色记号笔的成分以氧化硅和氧化镁为主,黑色油性记号笔的成分主要以碳为主,并含有少量的锌元素。当分析发现有此类元素时,要特别予以注意和区分。
4. 结束语
扫描电镜作为一种显微分析工具,可以对钢铁机械零部件进行多种形式的观察,对各类缺陷进行详细的分析,其是不可获缺的手段。随着扫描电镜功能的不断完善和提高,扫描电镜可以承担的工作会越来越多。天纵检测(SKYLABS)在上文中的介绍只是起到了抛砖引玉的作用,以便质量鉴定分析人员参考。